GB-T 16674.1 Sechskant-Flanschschrauben - Kleine Serie
Produkt: GB-T 16674.1 Sechskantflanschschrauben-Kleinserie-Typ F
Immobilienklasse: 4.6, 4.8, 5.6, 5.8, 8.8, 10.9, 12.9,
A2-70, A4-70, A4-80
Finish: Verzinkung (gelbes Zink, Zinkblau, Spülfarbe), schwarz, Phosphat und Öl, Zinkphosphat, feuerverzinkt (HDG), Dacromet, Geomet
Material: Stahl
Exportland: USA, Japan, Australien, Europa und so weiter
Unterstützung der Kundenanpassung
Die Sechskantflanschschraube GB/T 16674 der Kleinserie ist eine Art Befestigungselement, das aus einem Sechskantkopf, einer Flanschplatte (die Dichtung unter dem Sechskant ist mit dem Sechskant befestigt) und einer Schraube (einem Zylinder mit Außengewinde) besteht. Teilweise komponiert. Die Schraube ist mit einer speziellen Struktur ausgestattet, dh eine größere Scheibe ragt aus dem Schraubenkopf heraus, um die Kontaktfläche zu vergrößern, die Reibung zu erhöhen und zu verhindern, dass sich der Flansch während der Drehung löst und herunterfällt.
Bilder



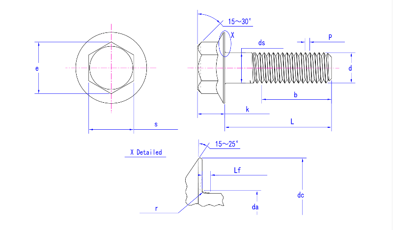
Produktzeichnung
Produktspezifikation
Größe |
M5 |
M6 |
M8 |
M10 |
M12 |
M14 |
M16 |
|
P |
0.8 |
1 |
1.25 |
1.5 |
1.75 |
2 |
2 |
|
E Min |
7.59 |
8.71 |
10.95 |
14.26 |
16.5 |
19.86 |
23.15 |
|
von max |
5.7 |
6.8 |
9.2 |
11.2 |
13.7 |
15.7 |
17.7 |
|
DC max |
11.4 |
13.6 |
17 |
20.8 |
24.7 |
28.6 |
32.8 |
|
DS Min |
4.82 |
5.82 |
7.78 |
9.78 |
11.73 |
13.73 |
15.73 |
|
Lf max |
1.4 |
1.6 |
2.1 |
2.1 |
2.1 |
2.1 |
3.2 |
|
k max |
5.6 |
6.9 |
8.5 |
9.7 |
12.1 |
12.9 |
15.2 |
|
s |
Max |
7 |
8 |
10 |
13 |
15 |
18 |
21 |
Min |
6.78 |
7.78 |
9.78 |
12.73 |
14.73 |
17.73 |
20.67 |
|
R min |
0.2 |
0.25 |
0.4 |
0.4 |
0.6 |
0.6 |
0.6 |
|
Unterstützung der Kundenanpassung |
||||||||
Hauptmerkmale der Sechskantflanschschrauben GB-T 16674.1 - Kleine Serie
Sechseckiges Kopfdesign
DasGB-T 16674.1 Sechskant-Flanschschrauben-Kleinserieverfügen über einen Sechskantkopf, der im Vergleich zu anderen Schraubentypen eine bessere Drehmomentaufbringung und ein leichteres Anziehen bietet. Das Sechskant-Design ermöglicht einen starken Halt bei der Verwendung von Schraubenschlüsseln oder Steckschlüsseln und sorgt so für eine sichere Verbindung.Flansch in den Bolzen integriert
Der eingebaute Flansch imGB-T 16674.1 Sechskant-Flanschschrauben-KleinserieFungiert als eingebaute Unterlegscheibe, die die Last gleichmäßig über die Oberfläche verteilt. Dies verringert das Risiko einer Beschädigung des zu befestigenden Materials und verbessert die Gesamtstabilität der Verbindung, insbesondere bei Anwendungen, die Vibrationen oder dynamischen Kräften ausgesetzt sind.Größenbereich für Kleinserien
DasKleinserienvon Sechskant-Flanschschrauben bietet eine Reihe von Größen, die sich besonders für Anwendungen eignen, bei denen kleinere Befestigungselemente erforderlich sind. Diese Baureihe ermöglicht die präzise Befestigung von Leichtbaustrukturen, Maschinen und Bauteilen, die keine großen Schrauben benötigen.Korrosionsbeständige Optionen
Abhängig von den AnwendungsanforderungenGB-T 16674.1 Sechskant-Flanschschrauben-KleinserieKann aus korrosionsbeständigen Materialien wie Edelstahl hergestellt oder mit Schutzbeschichtungen wie Zinken beschichtet werden. Dadurch wird sichergestellt, dass die Schrauben auch unter rauen Umgebungsbedingungen zuverlässig funktionieren.Hohe Festigkeit und Haltbarkeit
Diese Schrauben sind so konstruiert, dass sie eine hohe Zugfestigkeit bieten und sicherstellen, dass sie erheblichen Belastungen standhalten. DasGB-T 16674.1 Sechskant-Flanschschrauben-Kleinserieeignen sich besonders für Anwendungen, die sowohl Festigkeit als auch die Fähigkeit erfordern, den Druck effektiv über eine große Oberfläche zu verteilen.
Anwendungen von GB-T 16674.1 Sechskant-Flanschschrauben - Kleine Serie
Automobilindustrie
Im AutomobilsektorGB-T 16674.1 Sechskant-Flanschschrauben-Kleinseriewerden verwendet, um verschiedene Komponenten wie Motorteile, Karosserieteile und Fahrgestelle zu sichern. Die Flanschkonstruktion gewährleistet eine stabile und sichere Verbindung, die bei Anwendungen, die hohen Vibrationen und starker Beanspruchung ausgesetzt sind, von entscheidender Bedeutung ist.Bauwesen und Tragwerksplanung
DasKleinseriendieser Schrauben wird häufig bei Bauprojekten verwendet, insbesondere bei der Montage von Leichtbaukonstruktionen, Maschinen und Metallrahmen. Der Flansch trägt dazu bei, die Last gleichmäßig zu verteilen und den Verschleiß der zu befestigenden Materialien zu reduzieren.HLK-Systeme
In HLK-Systemen (Heizungs-, Lüftungs- und Klimaanlagen),GB-T 16674.1 Sechskant-Flanschschrauben-Kleinseriewerden häufig zur Sicherung von Kanälen, Lüftern und anderen Komponenten verwendet. Ihre Fähigkeit, moderate Lasten zu bewältigen, und ihre korrosionsbeständigen Eigenschaften machen sie ideal für den Einsatz sowohl im Wohn- als auch im Gewerbebereich.Möbelherstellung
GB-T 16674.1 Sechskant-Flanschschrauben-Kleinseriewerden auch im Möbelbau eingesetzt, insbesondere zur Sicherung von Rahmen, Beinen und Stützen. Die Flanschkonstruktion reduziert den Bedarf an zusätzlichen Unterlegscheiben und vereinfacht den Montageprozess.Industrielle Ausstattung
In verschiedenen IndustriezweigenSechskantflanschschrauben in kleinen Serienwerden zur Befestigung von Geräte- und Maschinenteilen eingesetzt, die sichere, langlebige Verbindungen erfordern. Diese Schrauben tragen dazu bei, dass Maschinen effizient arbeiten, ohne sich bei Vibrationen oder mechanischer Belastung zu lösen.
Vorteile der GB-T 16674.1 Sechskant-Flanschschrauben-Kleinserie
Verbesserte Lastverteilung
Der integrierte Flansch desGB-T 16674.1 Sechskant-Flanschschrauben-KleinserieVerteilt den Druck gleichmäßig über die Oberfläche des zu befestigenden Materials. Dies reduziert das Potenzial für Beschädigungen der Komponenten und sorgt für eine stärkere, sicherere Verbindung, die hohen Belastungen standhält.Einfache Installation und Befestigung
Der Sechskantkopf der Schraube bietet einen sicheren Halt für die Montage mit handelsüblichen Schraubenschlüsseln oder Steckschlüsseln. Diese Funktion macht dieGB-T 16674.1 Sechskant-Flanschschrauben-KleinserieEinfacher zu installieren im Vergleich zu herkömmlichen Schrauben, wodurch der Zeit- und Arbeitsaufwand für die Befestigung reduziert wird.Korrosionsbeständigkeit
Mit Optionen für Edelstahl- oder korrosionsbeständige Beschichtungen ist dieGB-T 16674.1 Sechskant-Flanschschrauben-KleinserieSie können Feuchtigkeit, Chemikalien und Außenumgebungen standhalten, was sie zu einer ausgezeichneten Wahl für Anwendungen in anspruchsvollen Umgebungen macht.Wirtschaftlichkeit
DasKleinserienvon Sechskantflanschschrauben bietet eine erschwingliche Befestigungslösung, insbesondere für Anwendungen, die eine kleinere Schraubengröße erfordern. Ihre Kosteneffizienz, kombiniert mit ihrer starken Leistung, macht sie zu einer beliebten Wahl in verschiedenen Branchen.Hohe Vibrationsfestigkeit
Die Fähigkeit des Flansches, die Last zu verteilen, gepaart mit der hohen Festigkeit der Schraube, ermöglicht dieGB-T 16674.1 Sechskant-Flanschschrauben-Kleinseriefür eine gute Leistung in Anwendungen, die Vibrationen oder dynamischer Beanspruchung ausgesetzt sind. Damit sind sie ideal für den Einsatz in der Automobil-, Maschinen- und Bauindustrie, wo Vibrationen ein Problem darstellen.
DasGB-T 16674.1 Sechskant-Flanschschrauben - Kleine Seriebieten eine zuverlässige, kostengünstige und effiziente Lösung für eine Vielzahl von Befestigungsanwendungen. Mit ihrem Sechskantkopf-Design für eine bessere Drehmomentaufbringung, dem integrierten Flansch für eine verbesserte Lastverteilung und der Vielseitigkeit in Bezug auf Materialien und Größen sind diese Schrauben die ideale Wahl für Branchen wie die Automobilindustrie, das Bauwesen, HLK-Systeme und den Bau von Industrieanlagen. Ihre Widerstandsfähigkeit gegen Vibrationen, ihre Korrosionsbeständigkeit und ihre einfache Installation machen sie zu einer bevorzugten Wahl für Projekte, die sichere und langlebige Verbindungen erfordern.


