GB-T 5787 Sechskant-Flanschschrauben
Produkt: GB-T 5787 Sechskant-Flanschschrauben
Eigenschaftsklasse: 4.6, 4.8, 5.6, 5.8, 8.8, 10.9, 12.9,
A2-70, A4-70, A4-80
Oberfläche: Verzinkung (gelbes Zink, Zinkblau, Spülfarbe), Schwarz, Phosphat und Öl, Zinkphosphat, feuerverzinkt (HDG), Dacromet, Geomet
Material: Stahl
Exportland: USA, Japan, Australien, Europa und so weiter
Unterstützen Sie die Kundenanpassung
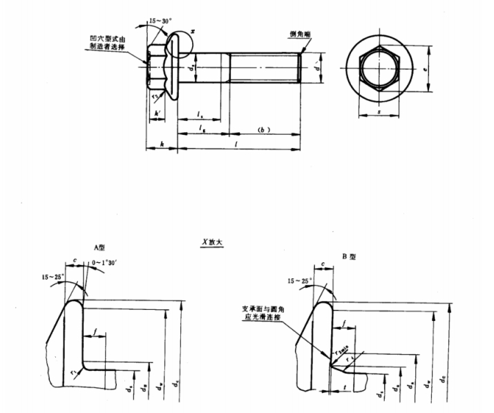
Die sechseckige Flanschschraube GB 5787 ist ein wichtiger Steckverbinder mit einfacher Struktur und zuverlässiger Verbindung. Sein Sechskantkopf mit Löchern und Rillen kann die Schrauben mechanisch verriegeln und so ein Lösen zuverlässig verhindern. Die Größe der Flanschschrauben variiert je nach Kaliber und Druckniveau der Anschlussflansche. Die Norm legt die Maßanforderungen für Flanschschrauben unter verschiedenen Druckniveaus fest, wie z. B. Schraubendurchmesser, Schraubenlänge, Schraubenkopfdurchmesser und Schraubenkopfdicke. Eine Oberflächenbehandlung kann die Korrosions- und Verschleißfestigkeit von Flanschschrauben verbessern und deren Lebensdauer verlängern. Sechskantflanschschrauben GB 5787 werden häufig in vielen Branchen eingesetzt, z. B. in Automobilmotoren, im Schwermaschinenbau, in der Schiffbau-Schwerindustrie, in medizinischen Geräten, in Lebensmittelmaschinen, in elektronischen Kommunikationsgeräten usw.
Bilder
Produktzeichnung
Produktspezifikation
Größe |
M5 |
M6 |
M8 |
M10 |
M12 |
M14 |
M16 |
|
B |
l<125 |
16 |
18 |
22 |
26 |
30 |
34 |
38 |
125
|
/ |
/ |
28 |
32 |
36 |
40 |
44 |
|
l>200 |
/ |
/ |
/ |
/ |
/ |
53 |
57 |
|
c min |
1 |
1.1 |
1.2 |
1.5 |
1.8 |
2.1 |
2.4 |
|
da max |
Tippe A |
5.7 |
6.8 |
9.2 |
11.2 |
13.7 |
15.7 |
17.7 |
Typ B |
6.2 |
7.4 |
10.0 |
12.6 |
15.2 |
17.7 |
20.7 |
|
DC max |
11.4 |
13.6 |
17.0 |
20.8 |
24.7 |
28.6 |
32.8 |
|
ds |
max |
5,0 |
6,0 |
8,0 |
10.0 |
12.0 |
14.0 |
16.0 |
Mindest |
4,82 |
5,82 |
7,78 |
9,78 |
11.73 |
13.73 |
15.73 |
|
du max |
5.5 |
6.6 |
9.0 |
11.0 |
13.5 |
15.5 |
17.5 |
|
TW min |
9.4 |
11.6 |
14.9 |
18.7 |
22.6 |
26.4 |
30.6 |
|
e min |
7.44 |
8.56 |
10.8 |
14.08 |
16.32 |
19.68 |
22.94 |
|
f max |
1.4 |
2,0 |
2,0 |
2,0 |
3,0 |
3,0 |
3,0 |
|
k max |
5.6 |
6.8 |
8.5 |
9,78 |
11.9 |
12.9 |
15.1 |
|
k' min |
2.3 |
2.9 |
3.8 |
4.3 |
5.4 |
5.6 |
6.7 |
|
r1 min |
0,2 |
0,25 |
0,4 |
0,4 |
0,6 |
0,6 |
0,6 |
|
r2 max |
0,3 |
0,4 |
0,5 |
0,6 |
0,7 |
0,9 |
1,0 |
|
r3 min |
0,1 |
0,1 |
0,15 |
0,2 |
0,25 |
0,3 |
0,35 |
|
r4 |
3,0 |
3.4 |
4.3 |
4.3 |
6.4 |
6.4 |
6.4 |
|
S |
max |
7.0 |
8,0 |
10.0 |
13.0 |
15.0 |
18.0 |
21.0 |
Mindest |
6,64 |
7.64 |
9.64 |
12.57 |
14.57 |
17.57 |
20.48 |
|
T |
max |
0,15 |
0,25 |
0,25 |
0,3 |
0,35 |
0,45 |
0,5 |
Mindest |
0,05 |
0,05 |
0,1 |
0,15 |
0,15 |
0,2 |
0,25 |
|
Unterstützen Sie die Kundenanpassung |
||||||||
Einige Einführungen zu unserem Unternehmen
Anwendung
Die Jinan Star Company ist auf die Herstellung von Verbindungselementen spezialisiert. Unsere Schrauben, Muttern und anderen Produkte werden häufig in der Maschinen-, Eisenbahn-, Automobil-, Bau-, Elektro-, Brücken-, Kommunikations-, Brandbekämpfungs- und anderen Industriezweigen eingesetzt.
Werkstatt
Die Werkstatt von Jinan Star Fastener Co., Ltd. ist der Kernbereich der Produktion und Fertigung des Unternehmens und verfügt über fortschrittliche Produktionsausrüstung. Die sinnvolle Gestaltung der Werkstatt und der wissenschaftliche Produktionsprozess gewährleisten eine effiziente Produktion und qualitativ hochwertige Produktion von Verbindungsprodukten.
Zertifizierung
Jinan Star Fastener Co., Ltd. hat durch das wissenschaftliche Management von Leitern verschiedener Abteilungen und das Streben nach hoher Qualität für Schrauben und andere Verbindungselemente die Zertifizierung des Qualitätsmanagementsystems ISO9001 in der Version 2015 erhalten. Darüber hinaus hat das Labor der Star Company 2017 die Zertifizierung erhalten. Es hat 2018 die nationale CNAS-Zertifizierung bestanden und das Unternehmen hat 2018 die europäische CE-Zertifizierung bestanden.
Produktionsausrüstung
Um den Bedürfnissen verschiedener Kunden gerecht zu werden, hat das Unternehmen eine Reihe fortschrittlicher Produktionsanlagen eingeführt, wie z. B. Kaltstauchmaschinen mit mehreren Stationen, Gewindewalzanlagen, Wärmebehandlungsanlagen, Strahlanlagen, Sandstrahlanlagen, Galvanikanlagen und andere Oberflächen Behandlungsgeräte und vollautomatische Verpackungsgeräte usw. Diese Geräte verbessern nicht nur die Produktionseffizienz, sondern gewährleisten auch die Konsistenz und Stabilität der Produktqualität.
Ausrüstung testen
Die Jinan Star Fastener Company legt großen Wert auf Produktqualität und ist mit kompletten Qualitätsprüfgeräten wie Zugprüfmaschinen, Drehmomentprüfgeräten, metallografischen Mikroskopen, optischen Projektoren, Salzsprühtestkammern, Schichtdickenmessgeräten usw. ausgestattet Testen Sie die Zugfestigkeit und Dehnung von Verbindungselementen und bewerten Sie die mechanischen Eigenschaften von Produkten. Diese Ausrüstung stellt sicher, dass jede Verbindung vom Rohmaterial bis zum fertigen Produkt einer strengen Qualitätskontrolle unterzogen werden kann.
Verpackung
Service
1. Stellen Sie kundenspezifische Sechskantflanschschrauben GB/T 5787 entsprechend den kundenspezifischen Anforderungen und Spezifikationen bereit. Dazu gehört die Auswahl geeigneter Materialien, Größen, Gewindespezifikationen und Oberflächenbehandlungen.
2. Schnelle Lieferung, um sicherzustellen, dass Kunden die Schrauben, die sie benötigen, rechtzeitig erhalten. Entwickeln Sie angemessene Produktions- und Lieferpläne auf der Grundlage des Kundenauftragsvolumens und der Lieferzeitanforderungen.
3. Professioneller technischer Support, einschließlich Anleitung zur Installation, Verwendung und Wartung der Schrauben. Helfen Sie Ihren Kunden, die richtige Verwendung von Schrauben sicherzustellen, um ihre Lebensdauer und Sicherheit zu erhöhen.
FAQ
1. Wie stellen Sie die Produktqualität sicher?
Hersteller können relevante Qualitätszertifizierungsdokumente vorlegen, um die Qualität und Zuverlässigkeit des Produkts nachzuweisen. Gleichzeitig können den Kunden auch Muster zum Testen zur Verfügung gestellt werden, um sicherzustellen, dass die Produkte den Erwartungen und Anforderungen der Kunden entsprechen.
2. Können Sie mir den besten Preis nennen?
Wir laden Sie ein, sich bei uns nach dem Bestellvolumen und den Lieferzeitanforderungen des Kunden zu erkundigen und wir unterbreiten Ihnen ein angemessenes Preisangebot.
3. Können Sie die Ware so schnell wie möglich versenden?
Hersteller können auf der Grundlage der Lieferanforderungen der Kunden angemessene Produktions- und Lieferpläne formulieren, um die Lieferzeit so weit wie möglich zu verkürzen. Sie können auch beschleunigte Dienstleistungen anbieten, um den dringenden Bedürfnissen der Kunden gerecht zu werden.













