Sechskantschrauben mit Flansch
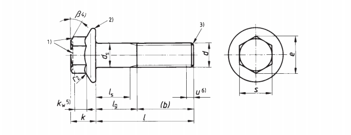
1.DIN EN1662 Sechskant-Flanschschrauben - Kleine Serie
2. Quelle Bolzenhersteller, eigene Fabrik: mit Preisvorteil, wodurch der Preisunterschied von Zwischenhändlern beseitigt wird.
3. Nehmen Sie den hochwertigsten verdickten Stahl der Branche an, der hohe Stabilität und die lange Haltbarkeit bietet.
4. Unterstützung der Kundenanpassung.
5. Professioneller Verkaufs- und After-Sales-Service, jederzeit auf Anfrage.
6. Lieferung pünktlich.
Sechskantschrauben mit Flansch: die perfekte Verschmelzung von Festigkeit und Stabilität
In der Welt der industriellen Verbindungselemente Sechskantschrauben mit Flansch haben sich als äußerst zuverlässige und multifunktionale Lösung herausgestellt. Ihr Design kombiniert auf einzigartige Weise die Haltekraft herkömmlicher Sechskantschrauben mit der zusätzlichen Oberfläche einer Unterlegscheibe, wodurch separate Teile überflüssig werden. Dieser Artikel bietet einen detaillierten Einblick in Sechskantschrauben mit Flanschund erklärt, warum sie in der Automobil-, Bau- und Maschinenbauindustrie bevorzugt werden.
Was sind Sechskantschrauben mit Flansch?
Sechskantschrauben mit Flansch sind spezialisierte Befestigungselemente mit einem sechsseitigen Kopf und einem integrierten Unterlegscheiben-ähnlichen Flansch. Dieser Flansch ragt über den Durchmesser des Schraubenkopfes hinaus, verteilt die Last gleichmäßiger und sorgt für eine bessere Stabilität beim Anziehen. Das integrierte Design minimiert das Risiko, dass sich Schrauben aufgrund von Vibrationen lösen, was besonders in Umgebungen mit hoher Beanspruchung von entscheidender Bedeutung ist.
Wesentliche Vorteile von Sechskantschrauben mit Flansch
1. Erhöhte Klemmkraft
Der eingebaute Flansch an Sechskantschrauben mit Flansch verbessert die Spannlastverteilung über die Auflagefläche erheblich. Dies reduziert das Risiko von Materialverformungen und erhöht die Integrität der Verbindungen, wodurch sie sich ideal für kritische Baugruppen eignen.
2. Rüttelfestigkeit
Eines der herausragenden Merkmale von Sechskantschrauben mit Flansch ist ihre Widerstandsfähigkeit gegen Lockerung durch Vibrationen. Damit eignen sie sich besonders für Motoren, Maschinen und Automotive-Komponenten, die häufig dynamischen Bewegungen ausgesetzt sind.
3. Zeit- und Kosteneffizienz
Durch den Wegfall einer separaten Waschmaschine Sechskantschrauben mit Flansch Reduzieren Sie die Montagezeit und die Lagerhaltungskosten. Dieser optimierte Installationsprozess kann zu einer höheren Produktivität bei Fertigungs- und Wartungsvorgängen führen.
4. Erhöhte Tragfähigkeit
Der Flansch verteilt den Druck auf eine breitere Oberfläche, verhindert eine Spannungskonzentration und minimiert das Risiko von Materialrissen. Diese Funktion macht Sechskantschrauben mit Flansch Ideal für den Einsatz mit weicheren Materialien oder in Anwendungen, die einen festen Griff erfordern.
5. Optionen für Korrosionsbeständigkeit
Viele Sechskantschrauben mit Flansch sind in Edelstahl, verzinkt oder schwarz oxidiert. Diese Variationen bieten ein unterschiedliches Maß an Korrosionsbeständigkeit und eignen sich für unterschiedliche Umgebungsbedingungen – von Innengeräten bis hin zu Außenstrukturen.
Anwendungen von Sechskantschrauben mit Flansch
Dank ihrer Vielseitigkeit und Zuverlässigkeit Sechskantschrauben mit Flansch sind weit verbreitet in:
Automobilmontage, insbesondere in Motor- und Aufhängungssystemen
Stahlkonstruktionen wie Brücken und Türme
Schwere Maschinen und Industrieanlagen
Bauprojekte mit Metallgerüsten oder vorgefertigten Bauteilen
DIY-Möbel oder mechanische Reparaturen, die sichere Verbindungen erfordern
Die Wahl der richtigen Sechskantschrauben mit Flansch
Bei der Auswahl Sechskantschrauben mit Flanschdie folgenden Faktoren berücksichtigen:
Material: Edelstahl für Korrosionsbeständigkeit; Kohlenstoffstahl für Festigkeit
Beschichtung: Verzinkt für zusätzlichen Rostschutz
Gewindetyp: Grob- oder Feingewinde je nach Griffanforderung
Größe und Länge: Basierend auf der Dicke der zu verbindenden Materialien
Normen: Stellen Sie die Kompatibilität mit ISO-, DIN- oder ANSI-Spezifikationen sicher
Tipps zur Installation
Um die Leistung von Sechskantschrauben mit Flansch, befolgen Sie diese Best Practices:
Stellen Sie sicher, dass die Löcher sauber und ausgerichtet sind Für einfaches Einsetzen der Schraube.
Verwenden Sie einen Drehmomentschlüssel gleichmäßige Kraft anzuwenden.
Vermeiden Sie zu starkes Anziehen, die den Flansch oder die Oberfläche beschädigen können.
Erwägen Sie die Verwendung von fadensichernden Verbindungen für kritische Anwendungen.
Warum Sechskantschrauben mit Flansch auffallen
Unter den zahlreichen Befestigungsoptionen Sechskantschrauben mit Flansch sind auf hohe Leistung und Zuverlässigkeit ausgelegt. Ihr Design reduziert die Anzahl der erforderlichen Komponenten und erhöht gleichzeitig die Festigkeit, Sicherheit und Benutzerfreundlichkeit. Für Ingenieure, Bauherren und Hersteller bieten diese Schrauben eine intelligente, hochwertige Lösung.
Schlussfolgerung
Ganz gleich, ob Sie Automobilkomponenten bauen, Industrieanlagen montieren oder an einem schweren Bauprojekt arbeiten, Sechskantschrauben mit Flansch Liefern Sie die Stärke und Effizienz, die Sie brauchen. Ihr einzigartiges Design sorgt für die Lastverteilung, reduziert das Vibrationsrisiko und vereinfacht die Installation. Für eine robuste, sichere und professionelle Befestigung Sechskantschrauben mit Flansch sind die erste Wahl.
Produktzeichnung






