GB-T 77 Gewindestifte mit Innensechskant und flacher Spitze
Produkt: GB-T 77 Gewindestifte mit Innensechskant und flacher Spitze
Immobilienklasse: 4.6, 4.8, 5.6, 5.8, 8.8, 10.9, 12.9,
A2-70, A4-70, A4-80
Finish: Verzinkung (gelbes Zink, Zinkblau, Spülfarbe), schwarz, Phosphat und Öl, Zinkphosphat, feuerverzinkt (HDG), Dacromet, Geomet
Material: Stahl
Exportland: USA, Japan, Australien, Europa und so weiter
Unterstützung der Kundenanpassung
GB-T 77 Gewindestifte mit Innensechskant und flacher Spitze
Einleitung
DasGB-T 77 Gewindestifte mit Innensechskant und flacher Spitzesind Präzisionsverbindungselemente, die für die sichere, nicht überstehende Befestigung in mechanischen Baugruppen entwickelt wurden. Hergestellt nach derGB-T 77Diese Gewindestifte nach chinesischem Nationalstandard verfügen über einen sechskantigen Innenantrieb und eine flache Spitze, die eine zuverlässige Haltekraft bieten, ohne die Passflächen zu beschädigen. DasGB-T 77 Gewindestifte mit Innensechskant und flacher Spitzewerden häufig in Präzisionsinstrumenten, rotierenden Teilen, Zahnrädern, Wellen und anderen Komponenten verwendet, die eine stabile, bündige Verriegelung erfordern.
Bilder



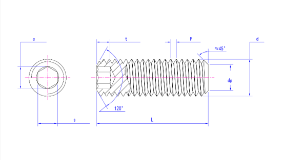
Produktzeichnung
Hauptmerkmale der Gewindestifte mit Innensechskant GB-T 77 und flacher Spitze
Flat Point Design für den Oberflächenschutz
DasGB-T 77 Gewindestifte mit Innensechskant und flacher Spitzesind mit einer flachen Spitze ausgestattet, die gleichmäßigen Druck auf das Gegenstück ausübt, ohne die Oberfläche zu durchdringen. Diese Konstruktion ist ideal für Anwendungen, bei denen die Oberflächenintegrität erhalten bleiben muss.Interner Sechskantantrieb für kompakte Befestigung
Der innenliegende Innensechskant ermöglicht eine einfache Montage mit einem handelsüblichen Inbusschlüssel. Diese Funktion ermöglicht ein sauberes, bündiges Erscheinungsbild und ist besonders nützlich bei beengten Platzverhältnissen oder dort, wo externe Antriebswerkzeuge nicht verwendet werden können.Starke Haltekraft ohne Materialverformung
Das Flachpunkt-Design desGB-T 77 Gewindestifte mit Innensechskant und flacher SpitzeBietet eine hohe Klemmkraft bei gleichzeitiger Minimierung von Beschädigungen. Es eignet sich gut für verstellbare Teile oder dort, wo die Schraube häufig entfernt und neu positioniert wird.Erhältlich in hochfesten Werkstoffen
Diese Schrauben werden üblicherweise aus Kohlenstoffstahl, legiertem Stahl oder Edelstahl hergestellt. DasGB-T 77 Gewindestifte mit Innensechskant und flacher Spitzewerden oft mit Schwarzoxid, Verzinkung oder Passivierung oberflächenbehandelt, um die Korrosionsbeständigkeit zu verbessern.Präzisionsgewinde für Stabilität
Die Gewinde auf demGB-T 77 Gewindestifte mit Innensechskant und flacher Spitzewerden mit engen Toleranzen für maximalen Eingriff, Vibrationsfestigkeit und allgemeine Zuverlässigkeit der Befestigung hergestellt.
Anwendungen von GB-T 77 Gewindestiften mit Innensechskant und flacher Spitze
Wellen und Manschetten
DasGB-T 77 Gewindestifte mit Innensechskant und flacher Spitzewerden häufig verwendet, um Riemenscheiben, Zahnräder und Manschetten auf Wellen zu befestigen. Die flache Spitze verhindert ein Einritzen oder Verformen der Wellenoberfläche und ist daher ideal für rotierende Baugruppen.Elektronik und Präzisionsinstrumente
In der Elektronik und in optischen Geräten ist dieGB-T 77 Gewindestifte mit Innensechskant und flacher Spitzesorgen für eine sichere, nicht-invasive Befestigung. Sie ermöglichen die Anpassung und den Zusammenbau von Komponenten, ohne empfindliche Oberflächen zu beschädigen.Automobil und Luft- und Raumfahrt
Für Anwendungen, die kleine, leistungsstarke Verbindungselemente erfordern, wie z. B. in Steuerungssystemen oder bei der Sensormontage,GB-T 77 Gewindestifte mit Innensechskant und flacher Spitzebieten kompakte Festigkeit und Wiederverwendbarkeit.Robotik und Automatisierung
In der Robotik, wo wiederholte Bewegungen und Vibrationen üblich sind, sorgen diese Stellschrauben für stabile mechanische Verbindungen, die je nach Bedarf verstellt oder entfernt werden können – ohne Verschleiß oder Beschädigung der internen Komponenten.Vorrichtungen, Vorrichtungen und Werkzeuge
DasGB-T 77 Gewindestifte mit Innensechskant und flacher Spitzesind unerlässlich für die Sicherung abnehmbarer Teile in Vorrichtungen, Vorrichtungen und Werkzeugmaschinen, insbesondere dort, wo ein nicht beschädigender Druck erforderlich ist.
Vorteile der Gewindestifte mit Innensechskant GB-T 77 mit flacher Spitze
✅Keine Oberflächenbeschädigung
Der flache Punkt sorgt dafür, dass dieGB-T 77 Gewindestifte mit Innensechskant und flacher SpitzeGreifen Sie sicher, ohne Spuren oder Vertiefungen auf der Gegenfläche zu hinterlassen.✅Flächenbündiger Einbau
Das interne Sechskantdesign ermöglicht es, dass die Schrauben bündig oder unter der Oberfläche sitzen, was die Sicherheit, Ästhetik und Funktion in beweglichen Teilen verbessert.✅Wiederverwendbarkeit
Dank der nicht beschädigenden SpitzeGB-T 77 Gewindestifte mit Innensechskant und flacher SpitzeKann wiederholt auf der gleichen Oberfläche verwendet werden, ohne die Leistung zu beeinträchtigen.✅Hohes Drehmoment und Stabilität
Der Innensechskantantrieb ermöglicht eine hohe Drehmomentanwendung während der Installation und gewährleistet eine feste Passform, die einem Lösen durch Vibrationen oder dynamische Kräfte widersteht.✅Einhaltung der GB-T 77-Normen
Gefertigt nachGB-T 77bieten diese Schrauben gesicherte Qualität, Maßgenauigkeit und Kompatibilität mit standardisierten mechanischen Konstruktionen.
DasGB-T 77 Gewindestifte mit Innensechskant und flacher Spitzewurden für eine präzise, saubere und beschädigungsfreie Befestigung in anspruchsvollen Anwendungen entwickelt. Ihr Flachpunkt-Design gewährleistet eine effektive Verriegelung und schützt gleichzeitig die passenden Komponenten, wodurch sie sich ideal für hochpräzise Geräte, rotierende Baugruppen und verstellbare Systeme eignen. Mit hervorragender Wiederverwendbarkeit, Korrosionsbeständigkeit und einfacher InstallationGB-T 77 Gewindestifte mit Innensechskant und flacher SpitzeBieten Sie langfristige Leistung und Zuverlässigkeit der Befestigung in Branchen, die von der Automatisierung und Elektronik bis hin zum Maschinenbau und der Luft- und Raumfahrt reichen.


